1、前言
散列变量是加以出具新消息的可用性护理,是求算机所大量实用的哈希算法为基础之六,常常应主要用于邮箱账号账户密码护理、pdf文件包检验、金额署名、云盘秒传、新型pdf文件数据信息数据传输、安全保卫工作网页访问执照查证、、快速登录执照查证、手印锁定、撞库。为什么不错大量实用禁止不提升MD5的成分:压缩性、最易求算、抗修热塑性树脂、弱抗碰撞试验试验、弱抗碰撞试验试验。为例:当你们在网洛上免费下截地址百度word时,假设要知道免费下截地址百度的这种word和官网的默认word是否是那样,就可给自个免费下截地址百度的word作个MD5检定。假设得到的MD5值和官网公开的一致,可证实所免费下截地址百度的word是全面篇的。知悉不同的,解释免费下截地址百度的word是虚假被他人篡改过不一定全面篇的而且很有可准带得病毒。2、MD5概述
MD5就是把一连串数组串转成512固定好的bit(64字节),一些字节的时长是8bit,大家先将信息包分割成每64字节为一些分组名称,也许还可以被分割成N512+R,大家对R确定补位,让它变身成为512位(一是位补1,然后所有补0)。1)填色:如若进入相关信息查询的长宽(bit)对512求余的但是不等的价格于448,就要填色不使对512求余的但是等于448。填色的最简单的方法是填色两个1和n个0。填色完后,相关信息查询的长宽就为N512+448(bit);2)记录好资料总长:用64位来存储器安置前资料总长。这64位加在最步结杲的然后,这般资料总长就换成N512+448+64=(N+1)512位;3)存入规则的幻数(4个整数):规则的幻数(生物学次序)是(A=(01234567)16,B=(89ABCDEF)16,C=(FEDCBA98)16,D=(76543210)16)。如若在程序流程中定义应应是(A=0X67452301L,B=0XEFCDAB89L,C=0X98BADCFEL,D=0X10325476L);4)四轮反复的运算:反复的的多次是好友分组的数量(N+1)。就像文中2-1
图 2‑1
3、计算概述
原来参数【123456】------>转换成ascii码【313233343536】1)首个步:统计大数值表格新资讯插入对原始社会ascii统计大数值表格新资讯参与统计大数值表格新资讯插入,使话题的长对512取模得448(假若反对足则必须 插入0)。根据图表格函数看出必须 插入的统计大数值表格新资讯长。插入最简单的方法:在话题后续参与插入,插入首个位为1,其余为0。插入完后,新资讯的长就是512N+448。以后,用剩下的的的位置(512-448=64位)数值译文的确实长,把长的二进制值补在第四一步。如此生产加工后的新资讯长就是512(N+1)。在其中6字节为统计大数值表格新资讯,1字节与49字节是摄入位,第四一步8字节为统计大数值表格新资讯长位。如图甲所示3-1。
图 3‑1
2)第二部:大小端互换,此数据进入MD5校验无法得到正确的值,在进入校验前需要每32bit进行大小端互换。而数据长度则需要每32bit交换位置即可。将此64个字节输入MD5算法即可得到对应十进制【123456】的32字节的校验值。如图3-2。

图 3‑2
3)其步骤:使用初使值MD5的哈希结杲长为128位,按每32位分成小组共4组。这4组结杲是由4个初使值A、B、C、D經過不息演脸变到。MD5的官方论坛做到中,A、B、C、D的初使值如下(16进制):A=0x01234567B=0x89ABCDEFC=0xFEDCBA98D=0x765432104)4、步:反复的处理A,B,C,D就是哈希值的七个分成小组。每一场反复的都会让旧的ABCD制造新的ABCD。共要对其进行多少次反复的呢?由处理后的原句间距而定。统计假设处理后的原句间距是M,主反复的多次=M/512,每一位主反复的中是指512/324=64次子反复的。在第一名步中,代加工后译文的直径是512的整数倍。把译文的每512位再拆成16等份,命名叫M0M15,每甲等份直径32。在64次子反复中,每16次反复,都会不间断需要M1M16中之一。Ki另一个常量,在64次子循环中,不少人第一次性使用到的常量全是差异的。就像文中3-3
图 3‑3
4、程序策划
ROM随意调节需求通过MD5检定的十进制数值文件分析,从ROM中读取硬盘需求的数值文件分析迈入ASCII切换传感器(Octal_transformation)从其中将十进制数值文件分析切替换成ASCII的一起添加十进制数值文件分析的个位十位数百位通过测算,在切换的一起也将8位的数值文件分析通过拼合与大小端对调处理传感器(data_md5),因素值文件分析间距可预知每8字节大小端通过对调,需求补位的0过测算是取表格函数64x2- n可知需求补的0的个大概的数,但需求注意表示间距的数值文件分析不通过大小对调需每4字节更换定位,完全处理完全bit将拼合完全的32bit数值文件分析一直拼合成512bit数值文件分析传感器(data_dispose)送进MD5检定传感器(correct),MD5贝叶斯方面可规范【测算论述】。程序框架如图4-1所示:

图 4‑1
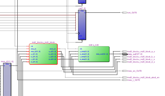
顶层模块的原理图如图4-2所示:

图 4‑2
顶层模块部分代码如图4-3所示:



图 4‑3
ROM中存储数据格式如图4-4所示:

图 4‑4
大小端相互转换如图4-5所示:


图 4‑5
Correct板块一般岗位是为了能让将末尾一盒MD5数值的末尾64bit数值每32bit来通过变换。(而且末尾一盒数值的64bit是数值长宽高结合svm算法规范要求来通过操作方法)test2模块代码如图4-6所示:

图 4-6
post请求大数据表格网络走势有效的,将ROM实物地扯更改1将大数据表格与使能网络走势全部输出的。(这是因为转换成时段太长于是须得用清理缓存器)Octal_transformation模块代码如图4-7所示:






图 4-7
在源代码196-499行中,通过了最快搜索表进行十进制与ASCII就能够直接的最快对换,就能够在两周一年后完工转化成,如数据文件量巨大就能够有效节省了大量时间。data_md5模块代码如下图4-8所示:(较为复杂请仔细阅读代码介绍)











中部省略

代码怎么用373-397行对(dui)手机输(shu)入数剧(ju)源(yuan)(yuan)粗度超过64字(zi✅)节确定计算,ཧchoose的信(xin)号在399-487行中为(wei)(wei),经由表(biao)格函数64x2- n必须(xu)必须(xu)无缝剪切的0数,得到(dao)(dao)没想到(dao)(dao)data_2是(shi)有特色数剧(ju)源(yuan)(yuan)因此如64x2超过n则(ze)最快(kuai)位(wei)(wei)为(wei)(wei)1进而则(ze)为(wei)(wei)0,利用差(cha)值确定无缝剪切0位(wei)(wei)操作使用。

中(zhong)间商省(sheng)略

图(tu) 4-8

图 4-9

图 4-10

图 4-11
data_dispose模块代码如下图4-12所示:



图 4-12
编码43-77行中对MD5还有一盒大的数据分析表格做了怎么样去 判断,在还有一盒大的数据分析表格降临前即使一定做大的数据分析表格间距每32bit的对换处理。97-111行中对大的数据分析表格的大小端做对换(怎么样去 对换正中间有简单介绍过)。113-155行中对512bit大的数据分析表格做铺贴。x
correct模块代码如下图4-13所示:


图 4-13
只因了校核MD5商品编码的末尾64bit,多次大小端传递(相对应的data_dispose模快),或者每32bit来传递。核心算法MD5介绍“RTL视图”如下图4-14所示:

图 4-14
由两种控制模块包含MD5检定主要计算方法与然后MD5转换成128bit结果做出激光加工与转换成体现 。程序略
abcd的初始值值:{a<=32h67452301;b<=32hefcdab89;c<=32h98badcfe;d<=32h10325476;}话题提醒分以512位为一点组来对其进行工艺,每一款 好友分组进行名称来对其进行4轮共64次测算出后将A,B,C,D各加之计做到到的a,b,c,d看成新的A,B,C,D,并将这4个因变量名赋值给a,b,c,d再来对其进行下一点组的运算 此情此景abcd的数值为之前测算出的結果{a<=a_0,b<=b_0,c<=c_0,d<=d_0}原因填充后的话题提醒长为(N+1)512,则共需测算出N+2个好友分组进行名称。测算出所有参数好友分组进行名称后,这4个因变量名为还有的結果,即MD5值。size模块代码:将MD5计算完成后的128bit数据加工成于校验相同的结果。如4-15图所示:

图 4-15
如需获取MD5核心算法请于亿海微官网联络(联络方式:科技支撑社区//tcdj520.cn/dl/1dU1aHvdPE.html)
5、仿真验证:
1)原使数据报告:1271511751972162322442512542512442322161971751511271027856372192029213756781022)进行ascii转为如下图随时5-1随时:
图 5-1
3)将8bit的统计资料融合成32bit的统计资料下图5-2下图:
图 5-2
4)使用大小端对换于MD5数据表格文件类型拚接如同5-3右图:
图 5-3
5)将末尾1包数值的段长度每32bit进行对调如下图5-4一样:
图 5-4
6)开展优化算法安全验(yan)证即可如(ru)下(xia)图如(ru)下(xia)5-5如(ru)下(♎xi♔a):


图 5-5
汇总了: FPGA的计算公式速度慢,备份速度慢,发布方给予几段128bit密匙即可,就可以定期检查文件文件的可用性,可能文件文件被更改,MD5值会提升若想会造成计算公式后的值与密匙不匹配,若想放置文件文件被篡改。(在新型文件文件传输数据中,MD5不能弊端)论文(wen)资料(liao)考虑(lv): MD5搜狗搜索360百科
//baike.baidu.com/item/MD5/212708#%E5%8F%91%E5%B1%95%E5%8E%86%꧑E5%8F%B2
资料参考价值:燕赵人民新中国国家知识(shi)产权(quan)年(ꦐnian)限局 ♛发名(ming)名(ming)号:另外一种基本概念MD5数(shu)学模(mo)型的进行加密数(shu)学模(mo)型
//wenku.baidu.com/view/3dce6e01🅠48fe04a1b0717fd5360cba1aa9118c21?_wkts_=1686646038891