
发卖:17346546283
发卖:010-68465926
匠人:18611287598
发传真:010-68465926
Q Q:3226344213
邮箱账号:info@tcdj520.cn
地区:沈阳市市海淀区大慧寺16号北区20号楼一层层105室

GOLDY-10AF 型激光铝水液位计
时候:2025-05-07 20:55

GOLDY-10AF型激光行业铝水液位计可作于对当下铝熔炼炉、铝液流槽、铝浇铸等工作状况下的铝水液面宽度为止仗量。
一、特色:
❀ ● 4~20mA、RS232、PNP三种(zhong)旌旗灯(deng)号输入体(ti)例
● 丈量精度<±1mm,分辩(bian)率0.1mm
● 利(li)用白色可(ke)见激(ji)光束,丈量规模可(ke)达(da)10米
● 可调节支架(jia),易(yi)于装置调剂(ji)
● 双层(ce🧜ng)合(he)金铝外壳(qiao),规范快(kuai)插接口,可通(ton✤g)紧缩氛围(wei)冷却和光(guang)路吹扫
二、手艺参数

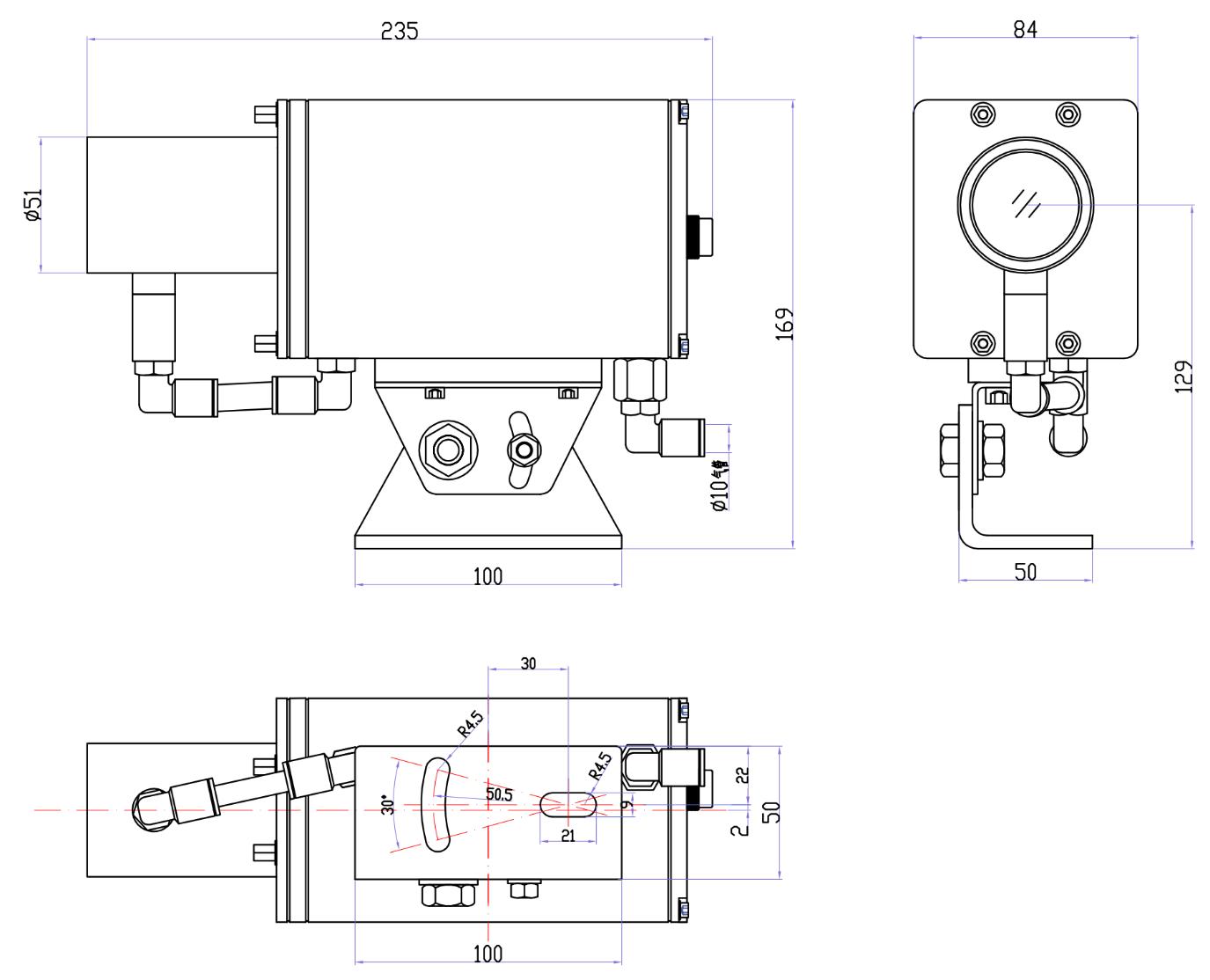
三、形状尺寸

四、可选附件

下一篇:激光铝水液位计 上一篇:不了



